ПРОДУКЦИЯ

Редукторы червячные Ч-80

Описание:
  Редукторы червячные одноступенчатые универсальные предназначены для изменения крутящих моментов и частоты вращения вала, используются в качестве комплектующих в приводах машин, оборудования и механизмов.
Подробнее:

УСЛОВИЯ ПРИМЕНЕНИЯ РЕДУКТОРОВ:

• нагрузка постоянная и переменная, одного направления и реверсивная;
• работа с периодическими остановками и длительная до 24 часов в сутки;
• вращение валов в любую сторону;
• частота вращения входного вала не более 1800 об/мин;
• атмосфера типа I и II по ГОСТ 15150-69 при запыленности воздуха не более 10 мг/м3;
• климатические исполнения У,Т для категорий размещения 1-3 и климатические исполнения УХЛ и О для категорий размещения 4 по ГОСТ 15150-69.

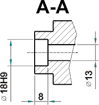
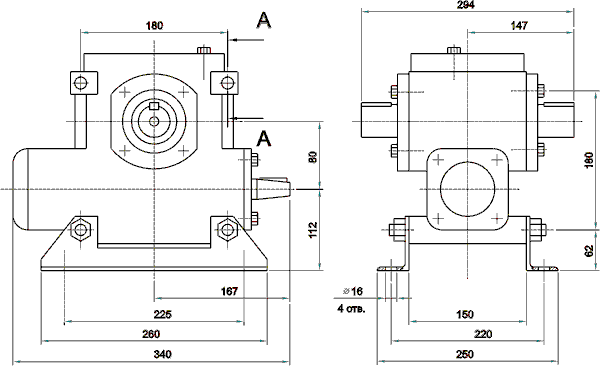
Габаритные и присоединительные размеры








Варианты сборки редукторов и расположения червяной пары


Варианты расположения лап
(1-без лап; 2-5 расположение лап по плоскостям)


ТЕХНИЧЕСКИЕ ХАРАКТЕРИСТИКИ

Номи- нальные переда- точные числа Uном. Значения допустимых крутящих моментов на выходном валу, к.п.д. и термической мощности при частоте вращения входного вала n, об/мин. Допускаемая консольная нагрузка на вале , Н
750 1000 1500 входном выходном
Мт, Н м h Nт, квт Мт, Н м h Nт, квт Мт, Н м h Nт, квт
8,0
280
0,89
3,1
250
0,90
3,6
212
0,91
4,6
500
4000
10,0
250
0,88
2,2
224
0,89
2,6
190
0,90
3,4
12,5
250
0,86
1,8
230
0,87
2,2
195
0,89
2,8
16,0
280
0,83
1,7
250
0,85
1,9
218
0,86
2,5
20,0
243
0,79
1,2
224
0,81
1,5
195
0,84
1,9
25,0
243
0,78
1,0
224
0,79
1,2
195
0,83
1,5
31,5
300
0,72
1,1
280
0,75
1,0
250
0,78
1,7
40,0
243
0,67
0,7
218
0,71
0,9
195
0,73
1,1
50,0
243
0,65
0,6
230
0,66
0,8
206
0,71
0,9
63,0
224
0,60
0,5
212
0,62
0,6
190
0,64
0,8
80,0
200
0,55
0,4
190
0,58
0,5
175
0,61
0,6

ПРИМЕР УСЛОВНОГО ОБОЗНАЧЕНИЯ ПРИ ЗАКАЗЕ

Редуктор Ч-80-40-52-1-2 ВУЗ, ТУ2-056-181-79, что означает:
редуктор червячный одноступенчатый универсальный типа Ч с межосевым расстоянием 80 мм, номинальным передаточным числом 40, вариантом сборки 52, с расположением червяка под колесом (вариант 1 по расположению червячной пары), вариантом установки с лапами 2, с вентилятором В, климатическом исполнении У, категорией размещения 3.