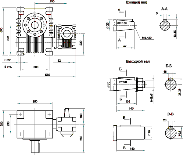
УСЛОВИЯ ПРИМЕНЕНИЯ РЕДУКТОРОВ:• нагрузка постоянная и переменная, одного направления и реверсивная;• работа с периодическими остановками и длительная до 24 часов в сутки;• вращение валов в любую сторону;• частота вращения входного вала не более 1500 об/мин;• атмосфера типа I и II по ГОСТ 15150-69 при запыленности воздуха не более 10 мг/м3; • климатические исполнения У,Т для категорий размещения 1-3 и климатическое исполнения УХЛ и О для категорий размещения 4 по ГОСТ 15150-69.Габаритные и присоединительные размеры редуктора Ч2-160:
УСЛОВИЯ ПРИМЕНЕНИЯ РЕДУКТОРОВ:
• нагрузка постоянная и переменная, одного направления и реверсивная;• работа с периодическими остановками и длительная до 24 часов в сутки;• вращение валов в любую сторону;• частота вращения входного вала не более 1500 об/мин;• атмосфера типа I и II по ГОСТ 15150-69 при запыленности воздуха не более 10 мг/м3; • климатические исполнения У,Т для категорий размещения 1-3 и климатическое исполнения УХЛ и О для категорий размещения 4 по ГОСТ 15150-69.Габаритные и присоединительные размеры редуктора Ч2-160:
• нагрузка постоянная и переменная, одного направления и реверсивная;• работа с периодическими остановками и длительная до 24 часов в сутки;• вращение валов в любую сторону;• частота вращения входного вала не более 1500 об/мин;• атмосфера типа I и II по ГОСТ 15150-69 при запыленности воздуха не более 10 мг/м3; • климатические исполнения У,Т для категорий размещения 1-3 и климатическое исполнения УХЛ и О для категорий размещения 4 по ГОСТ 15150-69.
Габаритные и присоединительные размеры редуктора Ч2-160:
Схема сборки редукторов и червячных пар:
ТЕХНИЧЕСКИЕ ХАРАКТЕРИСТИКИ ОБОРУДОВАНИЯ:
Примечание: Значения крутящих моментов и КПД приведены при температуре окружающей среды +20оС и при использовании легированных масел. В случае применения нелегированных масел эти значения необходимо снизить на 14%
Масса редуктора: 186,5 килограмм.ПРИМЕР УСЛОВНОГО ОБОЗНАЧЕНИЯ ПРИ ЗАКАЗЕРедуктор Ч2-160-250-12-21-У2, что означает: редуктор червячный двухступенчатый типа Ч2 с межосевым расстоянием 160 мм, номинальным передаточным числом 250, вариантом сборки 12, вариантом расположения червячной пары 21, климатическим исполнением У и категорией размещения 2.
Масса редуктора: 186,5 килограмм.
ПРИМЕР УСЛОВНОГО ОБОЗНАЧЕНИЯ ПРИ ЗАКАЗЕ
Редуктор Ч2-160-250-12-21-У2, что означает: редуктор червячный двухступенчатый типа Ч2 с межосевым расстоянием 160 мм, номинальным передаточным числом 250, вариантом сборки 12, вариантом расположения червячной пары 21, климатическим исполнением У и категорией размещения 2.
Редуктор Ч2-160-250-12-21-У2,
что означает: редуктор червячный двухступенчатый типа Ч2 с межосевым расстоянием 160 мм, номинальным передаточным числом 250, вариантом сборки 12, вариантом расположения червячной пары 21, климатическим исполнением У и категорией размещения 2.