ПРОДУКЦИЯ

Мотор-редукторы МЧ2-160

Описание:
Мотор-редукторы червячные двухступенчатые МЧ2-160 (далее в карточке товара - мотор-редукторы) предназначены для работы в качестве приводов общемашиностроительного применения. Разрабатывались с использованием передовых приводных технологий и с учетом современных потребностей промышленных сфер и отраслей.
Подробнее:

Условия применения:

  • нагрузка постоянная и переменная (в пределах номинального крутящего момента);
  • вращение выходного вала в любую сторону без предпочтительности;
  • климатические исполнения У3 и Т2 по ГОСТ 15150-69 при работе на высоте над уровнем моря до 1000м., допускается работа мотор-редуктора на высоте более 1000 м над уровнем моря при соблюдении требований ГОСТ 183-74;
  • внешняя среда–неагрессивная, невзрывоопасная, с содержанием непроводящей пыли до 10мг/м3;

Мотор-редукторы предназначены для работы от сети переменного тока частотой 50Гц или 60Гц, напряжением 220В или 380В или, по согласованию с потребителем, на другие стандартные напряжения.

ПРИМЕР УСЛОВНОГО ОБОЗНАЧЕНИЯ В ЗАКАЗЕ:

Мотор-редуктор МЧ2-160-250-6-12-21-Ц-У2, что означает:

  • МЧ2 – мотор-редуктор червячный двухступенчатый;
  • 160 – межосевое расстояние, мм;
  • 250 – номинальное передаточное число;
  • 6 – номинальная частота вращения выходного вала, об/мин;
  • 12 – вариант сборки;
  • Ц – исполнение с цилиндрическим выходным валом;
  • У – климатическое исполнение;
  • 2 – категория размещения.

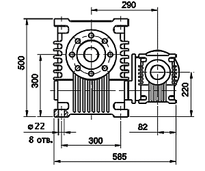
Габаритные и присоединительные размеры МЧ2-160

 

 
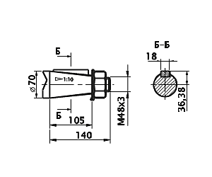
Исполнения выходного вала МЧ2-160
Схемы сборки мотор-редукторов МЧ2-160

ТЕХНИЧЕСКИЕ ХАРАКТЕРИСТИКИ:

ПАРАМЕТРПЕРЕДАТОЧНОЕ ЧИСЛО ОБЩЕЕ
1001251602002504006301000160025004000
Номинальный крутящий момент на выходном валу, Н.м при ПВ>63%25003150315035503550355040004000400035502800
при ПВ<63%31003800315035503700450044005000530054504000
при ПВ=40%35004200315035504100460046005150530054504000
при ПВ=25%37004500315035504600460046005150530054504000
при ПВ=16%39955000315035505150460048005150530054504000
КПД, %s
при ПВ>63%
7774736865605550353022
Термическая мощность, кВт
при ПВ>63%
3,153,153,153,472,902,902,051,241,090,920,92
Тип электродвигателя серии АИР100L4100L4100L4100L4100S4100S490L480B480A471B471A4
Мощность эл./дв, [кВт]4,04,04,04,03,03,02,21,51,10,750,55
Номинальная частота вращения выходного вала, об/мин14,011,28,87,05,63,52,21,40,880,560,35