ПРОДУКЦИЯ

Редукторы цилиндрические Ц2У100 - Ц2У250

Описание:

Редукторы цилиндрические двухступенчатые горизонтальные общемашиностроительного применения типоразмеров 1Ц2У-100, 1Ц2У-125, 1Ц2У- 200, 1Ц2У-250 предназначены для изменения крутящих моментов и частот вращения.


Подробнее:

УСЛОВИЯ ПРИМЕНЕНИЯ РЕДУКТОРОВ:

• нагрузка постоянная и переменная одного направления и реверсивная;
• работа длительная или с периодическими остановками;
• вращение валов в любую сторону;
• частота вращения входного вала не должна превышать 1800 об/мин.;
• атмосфера типов I и II по ГОСТ 15150-69 при запыленности воздуха не более 10 мг /куб.м.;
• климатические исполнения У, Т для категории размещения 1...3 и климатические исполнения УХЛ и О для категорий размещения 4 по ГОСТ 15150-69.




РИС1.
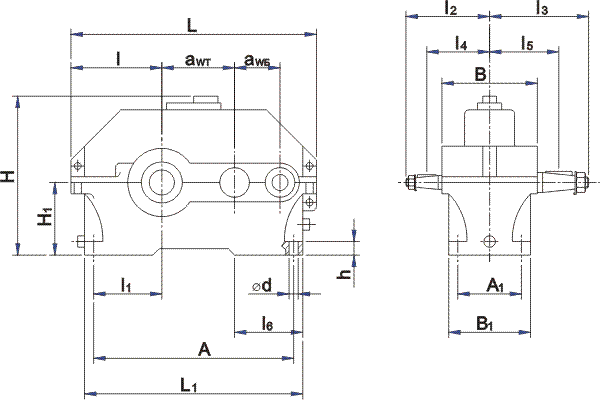
Габаритные и присоединительные размеры


РИС2.
Варианты сборки редукторов типа ЦУ

Типоразмер редуктора Межосевые расстояния L L1 l l1 l2 l3 l4 l5 l6 H не более
awвых awвх не более        
1Ц2У-100
100
80
387
325
136
85
136
165
103
115
-
230
1Ц2У-125
125
80
450
375
160
106
145
206
112
136
-
272
1Ц2У-160
160
100
560
475
200
136
170
224
132
155
145
345
1Ц2У-200
200
125
690
580
243
165
212
280
160
190
186
425
1Ц2У-250
250
160
825
730
290
212
265
335
195
230
224
530

  h      
Типоразмер редуктора H1 c чугун. корп. с алюм. корп. А A1 В B1 d
1Ц2У-100
112
20±3
290
109
155
145
15
1Ц2У-125
132
22±3
335
125
175
165
19
1Ц2У-160
170
24±4
28±4
425
140
206
195
24
1Ц2У-200
212
30±4
515
165
243
230
24
1Ц2У-250
265
32±5
670
218
290
280
28

ТАБ1.
Габаритные и присоединительные размеры

 

ТЕХНИЧЕСКИЕ ХАРАКТЕРИСТИКИ

Наименование показателя Типоразмер редуктора
1Ц2У-100 1Ц2У-125 1Ц2У-160 1Ц2У-200 1Ц2У-250
Передаточные числа Группа 1 10; 20; 31,5; 40
Группа 2 8;12,5; 16; 25
Фактические передаточные числа Группа 1 10,32;20,64; 32,55; 40,32 10; 20; 31,5;38,37 10,32; 20,64; 32,55; 40,32 9,76; 20,02; 31,47; 38,98 9,94; 20,67; 31,47; 38,4
Группа 2 8; 12,8; 16; 25,6 7,75; 12,18; 15,48; 24,36 8; 12,6; 16,0; 25,2 8,09; 12,08; 16,6; 24,83 8,33; 12,12; 16; 24,54
Номинальный крутящий момент на вы­ходном валу при длительной работе с постоянной нагрузкой Н*м непрерыв­ный (Н) ПВ=100%
315
630
1250
2500
5000
Допускаемый крутя­щий момент на вы­ходном валу при работе редуктора на повторно-кратковременных режимах. Н*м тяжелый (Т) ПВ=40%
315
630
1600
3150
6300
средний (С) ПВ=25%
2000
4000
8000
легкий (Л) ПВ=15%
2500
5000
10000
Допускае­мая радиальная консольная нагрузка. приложенная в середине посадочной части, Н входно­го вала непрерыв­ный (Н) ПВ=100%
500
750
1000
2240
3150
тяжелый (Т) ПВ=40%
1150
2500
3550
средний (С) ПВ=25%
1280
2800
4000
легкий (Л) ПВ=15%
1450
3150
4500
выходного вала непрерыв­ный (Н) ПВ=100%
4500
6300
9000
12500
18000
тяжелый (Т) ПВ=40%
10000
14000
20000
средний (С) ПВ=25%
11200
16000
22400
легкий (Л) ПВ=15%
12500
18000
25000
Термическая мощность, кВт
не лимитирует
Коэффициент полезного действия, не менее, %
97
Масса редуктора, не более, кг с чугунным корпусом
95
170
310
с алюминиевым корп.
21
31,5
57

ТАБ2.
Прим.: Редукторы должны изготавливаться по вариантам сборки по ГОСТ 20373-80 согласно таблици по 2 группам.

 

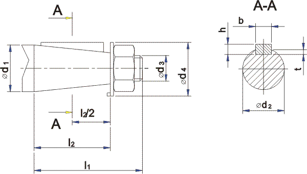
Типоразмер Вал d1 d2d3d4
не более
l1l2bht
1Ц2У-100
1Ц2У-125
быстроходный
2018,2М12х1,5405036442,5
1Ц2У-160
1Ц2У-200
1Ц2У-250
25
30
40
22,9
27,1
35,9
М16х1,5
М20х1,5
М24х2,0
45
50
63
60
80
110
42
58
82
5
10
5
8
3,0
5,0
1Ц2У-100
1Ц2У-125
1Ц2У-160
1Ц2У-200
1Ц2У-250
тихоходный35
45
55
70
90
32,10
40,90
50,90
64,75
83,50
M20x1,5
М30х2,0
М36х3,0
М48х3,0
М64х4,0
50
75
88
100
130
80
110
110
140
170
58
82
82
105
130
6
12
14
18
22
6
8
9
11
14
3,5
5,0
5,5
7,0
9,0

ТАБ3.

 
ПРИМЕР УСЛОВНОГО ОБОЗНАЧЕНИЯ ПРИ ЗАКАЗЕ:

Редуктор 1Ц2У-200-20-12К У2 ТУ2-056-243-86

цилиндрический двухступенчатый редуктор с межосевым расстоянием тихоходной ступени 200мм, номинальным передаточным числом 20, вариантом сборки 12, коническим концом тихоходного вала К, климатическим исполнением У и категорией размещения 2.