ПРОДУКЦИЯ

Редукторы цилиндрические Ц2У315Н - Ц2У500Н

Описание:
Редукторы Ц2У-Н зубчатые цилиндрические двухступенчатые узкие горизонтальные общего назначения служат для увеличения крутящих моментов и уменьшения частоты вращения. Редукторы применяются в районах с умеренным климатом (исполнение У), сухим и влажным тропическим климатом (исполнение Т), категорий размещения 1, 2, 3, 4 (работа на открытом воздухе под навесом, в закрытых помещениях и помещениях с регулируемым климатом).
Подробнее:

УСЛОВИЯ ПРИМЕНЕНИЯ РЕДУКТОРОВ:

• нагрузка постоянная и переменная, одного направления и реверсивная;
• работа постоянная и с периодическими остановками;
• вращение валов в любую сторону, частота вращения быстроходного вала до 1500 об/мин



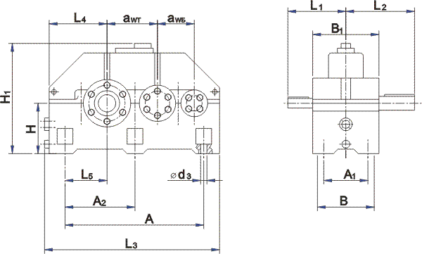
РИС1.
Габаритные и присоединительные размеры

Типоразмер аwБ аwT A A1 A2 B H H1 H2 L1 L2 L3 L4 L5
1Ц2У-315Н
200 315 740 260 370 340 335 685 35 300 420 1045 360 215
1Ц2У-355Н
225 355 850 280 425 360 375 740 35 320 440 1170 405 250
1Ц2У-400Н
250 400 950 330 475 420 425 835 42 380 500 1320 450 280
1Ц2Н-450
280 450 1060 515 530 590 475 955 50 500 650 1475 500 310
1Ц2Н-500
315 500 1220 580 615 650 530 1030 60 530 690 1660 530 360

Типоразмер b1 b2 d1 d2 d3 h1 h2 l1 l2 t1 t 2 Объем заливаемого масла, л Масса, кг
1Ц2У-315Н
14 28 50k6 110 28 9 16 110 210 44 100
30
520
1Ц2У-355Н
16 32 55k6 125 28 10 18 110 210 44 114
35
700
1Ц2У-400Н
18 36 60k6 140 35 11 20 140 250 53 128
60
940
1Ц2Н-450
22 40 80 k6 160 35 14 22 170 300 71 157
90
1530
1Ц2Н-500
25 45 90 k6 180 42 14 25 170 300 81 165
100
2100

ТАБ1.
Габаритные и присоединительные размеры

 


РИС2.
Варианты сборки редукторов типа Ц2У

 

Типоразмер редуктора Частота вращения быстроходного вала, об/мин Режим работы Передаточное число (номинальное)
8 10 12,5 16 20 25 31,5 40 50
1Ц2У-315Н
500
Л
С
Т
H
10300 9200 9200 8300
10700 9200 9200 8400
10400 9200 9200 8600
9900 9200 9200 8300
10800 8600 8600 8400
11200 8600 8600 8400
9800 8600 8600 8600
8700 8700 8600 8200
10700 7900 7600 7600
750
Л
С
Т
H
9700 9200 9100 8100
10100 9200 9200 8200
10 300 9200 9200 8300
9900 9200 9100 8200
10100 8600 8600 8200
10500 8600 8600 8300
9800 8600 8600 8400
8700 8600 8600 7900
10000 7600 7600 7600
1000
Л
С
Т
H
9200 9200 8900 8000
9600 9200 9100 8100
9900 9200 9100 8200
9800 9200 8800 8200
9600 8600 8600 7900
10000 8600 8600 8100
9800 8600 8600 8300
8700 8600 8600 7800
9600 7600 7600 7600
1500
Л
С
Т
H
9100 8900 8600 8000
9200 9100 8800 8000
9300 9200 8800 8100
9600 9200 8500 8100
9000 8600 8600 7700
9300 8600 8600 7800
9700 8600 8600 7900
8600 8600 8409 7600
8900 7600 7600 7500
1Ц2У-355Н
500
Л
С
Т
H
14000 12600 12600 11600
14600 12600 12600 11800
14200 12600 12600 11900
13500 12600 12600 11500
12500 12500 12000 10600
15300 11700 11700 11700
13500 11700 11700 11700
12000 12000 11700 11400
14700 10800 10400 10400
750
Л
С
Т
H
13200 12600 12500 11300
13700 12600 12600 11400
14000 12600 12600 11600
13400 12600 12500 11400
12500 12300 11700 10400
14300 11700 11700 11600
13500 11700 11700 11700
12000 11700 11700 10900
13700 10400 10400 10400
1000
Л
С
Т
H
12500 12500 12200 12200
13100 12600 12600 11300
13600 12600 12600 11400
13300 12600 12600 11200
12300 11900 11500 10200
13600 11700 11700 11300
13500 11700 11700 11500
12000 11700 11700 10800
13100 10400 10400 10400
1500
Л
С
Т
H
12300 12300 11900 11100
12400 12400 12100 11200
12600 12500 12100 11200
12900 12600 11700 11200
12100 11300 11100 9800
12700 11700 11700 10900
13200 11700 11700 11100
11800 11700 11700 10500
12200 10400 10400 10400
1Ц2У-400Н
500
Л
С
Т
H
19600 17700 17700 16200
19800 17700 17700 16600
19400 17700 17700 16500
18400 17700 17700 15900
20700 16400 16400 16400
20900 16400 16400 16400
18300 16400 16400 16400
16200 16200 16200 15700
20400 15000 14600 14600
750
Л
С
Т
H
18500 17700 17400 16100
19300 17700 17700 16300
19100 17700 17700 16300
18200 17700 17400 15700
19300 16400 16400 16400
20000 16400 16400 16400
18300 16400 16400 16400
16200 15100 16200 15100
19100 14600 14600 14600
1000
Л
С
Т
H
17500 17500 17000 16100
18300 17700 17500 16300
18700 17700 17400 16100
18000 17700 16800 15600
18400 16400 16400 16400
19100 16400 16400 16400
18200 16400 16400 16100
16200 16200 16200 15000
18200 14600 14600 14600
1500
Л
С
Т
H

-
-
-
-

-
-
-
-
17700 17500 16800 16100
17500 17500 16300 15500
17200 16400 16400 15600
17800 16400 16400 15900
17900 16400 16400 15600
15900 15900 15900 14600
17000 14600 14600 14600
1Ц2Н-450
500
Л
С
Т
H
29600 27700 27700 2620029800 27700 27700 26600 29400 27700 27700 26500 28400 27700 27700 25900 20700 26400 26400 26400 20900 26400 26400 26400 28300 26400 26400 26400 26200 26200 26200 25700 20400 25000 24600 24600
750
Л
С
Т
H
28500 27700 27400 26100 29300 27700 27700 26300 29100 27700 27700 26300 28200 27700 27400 25700 29300 26400 26400 26400 20000 26400 26400 26400 28300 26400 26400 26400 26200 25100 26200 25100 29100 24600 24600 24600
1000
Л
С
Т
H
27500 27500 27000 26100 28300 27700 27500 26300 28700 27700 27400 26100 28000 27700 26800 25600 28400 26400 26400 26400 29100 26400 26400 26400 28200 26400 26400 26100 26200 26200 26200 25000 28200 24600 24600 24600
1500
Л
С
Т
H
-
-
-
-
-
-
-
-
27700 27500 26800 26100 27500 27500 26300 25500 27200 26400 26400 25600 27800 26400 26400 25900 27900 26400 26400 25600 25900 25900 25900 24600 27000 24600 24600 24600
1Ц2Н-500
500
Л
С
Т
H
49600 47700 47700 46200 49800 47700 47700 46600 49400 47700 47700 46500 48400 47700 47700 45900 40700 46400 46400 46400 40900 16400 16400 16400 48300 46400 46400 46400 46200 46200 46200 45700 50400 45000 44600 44600
750
Л
С
Т
H
48500 47700 47400 46100 49300 47700 47700 46300 49100 47700 47700 46300 48200 47700 47400 45700 49300 46400 46400 46400 40000 46400 46400 46400 48300 46400 46400 46400 46200 45100 46200 45100 49100 44600 44600 44600
1000
Л
С
Т
H
44400 44400 44400 44400 48000 46600 46600 46600 48000 46900 46900 46900 46000 46000 46000 46000 41100 41100 41100 41100 49600 45200 45200 45200 42200 42200 42200 42200 48700 40000 40000 40000 43200 40000 40000 40000
1500
Л
С
Т
H
-
-
-
-
-
-
-
-
-
-
-
-
44200 44200 44200 44200 39800 39800 39800 39800 48100 15200 45200 45200 41200 41200 41200 41200 45500 40000 40000 40000 42500 40000 40000 40000
ТАБ 2.
Допускаемые крутящие моменты на тихоходном валу, Н • м
*** Л - лёгкий ПВ = 15 %; С - средний ПВ = 25 %; Т - тяжёлый ПВ = 40 %; Н - непрерывный ПВ = 100 %.

 

Наименование технических характеристик Типоразмер редуктора
1Ц2У-315Н 1Ц2У-355Н 1Ц2У-400Н 1Ц2Н-450 1Ц2Н-500
Межосевое                  расстояние, мм тихоходной ступени, аwT быстроходной ступени, адля вариантов сборок 11,12,13,21,22,23
315
200
4000
355
225
5000
400
250
7100
450
280
10000
500
315
12500
Допускаемая радиальная  консольная нагрузка, Н на быстроходном валу, р6 для вариантов сборок 31, 32,33
2000
2500
3550
5000
6250
На тихоходном валу. рт для вариантов сборок 11, 12, 21,22, 31, 32
22400
28000
31500
60000
80000
для вариантов сборок 13, 23,33
11200
14000
15750
30000
40000
Коэффициент полезного действия, ή , не менее
0,98
ТАБ 3.
Допускаемая радиальная консольная нагрузка на концы валов и термическая мощность

 

ПРИМЕР УСЛОВНОГО ОБОЗНАЧЕНИЯ ПРИ ЗАКАЗЕ

Редуктор 1Ц2У 315Н-25-12 Ц У2, где:

• 1Ц2У– цилиндрический двухступенчатый редуктор;
• 315– межосевое расстояние тихоходной ступени, мм;
• 25– номинальное передаточное число;
• 12– вариант сборки;
• Ц– цилиндрический конец тихоходного вала;
• У– климатическое исполнение;
• 2– категория размещения.