ПРОДУКЦИЯ

Редукторы цилиндрические РМ250-РМ1000

Описание:
Редукторы цилиндрические двухступенчатые горизонтальные общемашиностроительного применения типов РМ-250; РМ-350; PM-400; РМ-500; Р650; РМ-750; РМ-850; PM-1000 предназначены для увеличения крутящего момента и уменьшения частоты вращения.
Подробнее:

УСЛОВИЯ ПРИМЕНЕНИЯ РЕДУКТОРОВ:

      • нагрузка постоянная и переменная, одного направления и реверсивная;
      • работа длительная или с периодическими остановками, вращение валов в любую сторону;
      • частота вращения входного вала не должна превышать 1500 об/мин.;
      • температура внешней среды от минус 40°C до плюс 50°С;
      • повышенная запыленность, неагрессивная среда;
      • климатические исполнения У, Т ( для категории размещения 1...4 ) по ГОСТ 15150-69.

 


РИС 1.
Габаритные и присоединительные размеры.
РМ-250, РМ-350, РМ-400, РМ-500

Тип aw aw2 L L1 L2 l l1 l2 l3 l4 l5
РМ-250
250
150
540
200
238,5
320
235
45
50
189
249
РМ-350
350
200
710
260
268,5
415
310
5P
60
238
280
PM-400
400
250
816
270
325,5
440
370
80
75
288
367
PM-500
500
300
986
330
330
620
480
110
87
338
420

ТАБ1.
Габаритные и присоединительные размеры.
РМ-250, РМ-350, РМ-400, РМ-500

 

Тип B B1 B2 H H1 h d Масса, кг
РМ-250
230
190
230
312
160
22
17
85
РМ-350
270
250
290
400
200
23
17
145
PM-400
300
270
310
490
250
25
17
210
PM-500
350
310
350
592
300
25
17
390

 


РИС2.
Габаритные и присоединительные размеры.
РМ-650, РМ-750, РМ-850, РМ-1000

 

Тип aw aw2 L l1 L2 l l1 l2 l3 l4 l5
РМ-650
650
400
1278
430
430
830
490
215
155
445
460
РМ-750
750
450
1448
450
475
1025
620
275
230
491
525
РМ-850
850
500
1632
510
550
1100
610
300
205
546
530
РМ-1000
1000
600
1896
550
695,5
1350
870
350
250
639
645

ТАБ2.
Габаритные и присоединительные размеры.
РМ-650, РМ-750, РМ-850, РМ-1000

 

Тип B B1 B2 B3 H H1 H2 h d Масса, кг
РМ-650
470
410
470
318
697
320
95
35
25
878
РМ-750
510
450
510
356
743
320
130
35
25
1030
РМ-850
580
520
580
408
875
400
105
35
32
1230
РМ-1000
660
590
660
472
965
400
200
40
32
2122

 


РИС3.
Размеры концов входных валов.

 

Тип d d1 d3 d4(не более)l l1 b h t
РМ-250
30
27,10
М20x1,5
50
80
58
5
5
3
РМ-350
40
35,90
М24x2
63
110
82
10
8
5
РМ-400
40
35,9
М24x2
63
110
82
12
8
5
PM-500
50
45,9
М36x3
70
110
82
16
10
6
РМ-650
60
54,75
М42xЗ
94
140
105
16
10
6
РМ-750
60
54,75
М42xЗ
94
140
105
16
10
6
РМ-850
90
83,50
М64x4
130
170
130
22
14
9
РМ-1000
90
83,50
М64x4
130
170
130
22
14
9

ТАБ3.
Размеры концов входных валов.

 

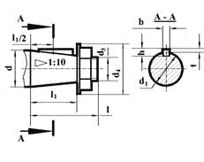
РИС4.
Размеры концов выходных валов.

Тип d m6 d1 b l t
РМ-250
55
65
16
82
60
РМ-350
55
65
16
82
60
РМ-400
80
90
22
123
88
РМ-500
80
90
22
123
88
95
115
25
130
104
PM-650
110
130
28
165
120
125
145
32
165
136
РМ-750
110
130
28
165
120
РМ-850
130
150
32
200
141
РМ-1000
150
170
36
200
162

ТАБ4.
Размеры концов выходных валов.

РИС5.
Варианты сборки редукторов.

 

ТЕХНИЧЕСКИЕ ХАРАКТЕРИСТИКИ

Частота вращения вх. вала, об/мин Режим работы Номинальный крутящий момент , Нм
РМ-250
Передаточное число номин. 50,00 40,00 31,50 22,40 20,00 16,00 12,50 10,00 8,00
фактич. 48,57 40,17 31,50 23,34 20,49 15,75 12,64 10,35 8,23
600 Особо легкий 1779 1791 1756 1747 1729 1655 1650 1549 1389
ПВ = 15% 928 895 903 929 946 903 865 791 734
ПВ = 25% 773 768 802 818 816 777 745 692 642
ПВ = 40% 657 640 702 706 685 652 624 593 550
ПВ=100% 271 256 276 279 277 301 302 297 288
750 Особо легкий 1795 1792 1724 1693 1723 1628 1610 1492 1323
ПВ = 15% 928 870 882 921 940 804 741 726 651
ПВ = 25% 805 768 762 802 809 704 644 634 567
ПВ = 40% . 681 666 642 683 679 603 547 528 473
ПВ = 100% 248 256 281 267 261 281 290 290 294
1000 Особо легкий 1670 1766 1716 1672 1705 1590 1549 1406 1240
ПВ = 15% 835 922 783 803 784 690 666 614 537
ПВ = 25% 742 806 692 691 686 600 581 535 466
ПВ = 40% 650 691 602 647 588 510 496 455 395
ПВ = 100% 255 250 271 268 274 300 290 297 296
1250 Особо легкий 1781 1781 1711 1638 1664 1560 1474 1311 1147
ПВ = 15% 816 798 723 712 722 624 592 514 466
ПВ = 25% 705 706 627 623 628 540 514 450 403
ПВ = 40% 594 614 530 534 534 456 437 387 340
ПВ = 100% 260 246 265 267 267 288 301 292 296
1500 Особо легкий 1761 1741 1688 1624 1598 1530 1401 1241 1056
ПВ = 15% 742 742 623 641 668 550 559 462 400
ПВ = 25% 649 640 543 551 576 480 446 403 348
ПВ = 40% 556 538 462 462 485 410 381 343 296
ПВ = 100% 247 243 271 268 262 300 308 297 291
РМ-350
600 Особо легкий 4254 4222 4113 3977 3817 3762 3643 3593 3460
ПВ = 15% 2166 2175 2357 2304 2251 2332 2254 2142 2005
ПВ = 25% 1856 1855 2056 2007 1958 2031 1952 1862 1743
ПВ = 40% 1624 1599 1705 1710 1664 1730 1671 1582 1481
ПВ=100% 657 608 602 595 587 677 684 692 695
750 Особо легкий 3836 4145 4253 3925 3837 3692 3623 3428 3407
ПВ = 15% 2166 2098 2327 2230 2140 2247 2109 2004 1835
ПВ = 25% 1856 1842 2006 1933 1853 1946 1836 1740 1594
ПВ = 40% 1609 1586 1725 1635 1592 1665 1562 1477 1352
ПВ = 100% 588 563 602 595 600 682 692 738 681
1000 Особо легкий 4037 4068 3973 3835 3759 3611 3502 3362 3184
ПВ = 15% 2135 2111 2257 2141 2055 2092 1944 1790 1691
ПВ = 25% 1856 1842 1956 1851 1801 1821 1691 1552 1463
ПВ = 40% 1624 1535 1655 1583 1527 1550 1437 1315 1242
ПВ = 100% 580 576 602 602 607 692 688 692 684
1250 Особо легкий 4121 4053 3900 3746 3680 3491 3333 3204 3019
ПВ = 15% 2116 2057 2167 2034 2020 1938 1710 1661 1541
ПВ = 25% 1819 1781 1878 1766 1754 1685 1488 1432 1352
ПВ = 40% 1633 1535 1589 1498 1488 1433 1266 1218 1151
ПВ = 100% 594 583 602 607 595 686 686 688 623
1500 Особо легкий 4022 3889 3772 3642 3524 3361 3180 3164 2778
ПВ = 15% 2042 1996 2147 1933 1932 1816 1691 1714 1415
ПВ = 25% 1794 1740 1866 1680 1684 1575 1465 1384 1232
ПВ = 40% 1516 1484 1585 1427 1436 1344 1248 1173 1059
ПВ=100% 588 588 602 610 600 692 684 626 687
РМ-400
600 Особо легкий 8507 8251 7875 7322 7015 5768 5233 4862 4259
ПВ = 15% 3480 3710 3160 11150 9788 2984 2858 2670 2503
ПВ = 25% 3016 3198 2759 3010 3034 2608 2496 2324 2175
ПВ = 40% 2552 2750 2357 2564 2578 2207 2113 1978 1848
ПВ=100% 1237 1215 1254 1264 1272 1329 1349 1351 1337
750 Особо легкий 8476 8187 7785 6987 6656 5517 5072 4549 4036
ПВ = 15% 3217 3377 3050 3092 3132 2648 2512 2360 2202
ПВ = 25% 2784 2917 2648 2706 2715 2307 2190 2057 3491
ПВ = 40% 2351 2507 2247 2289 2323 1966 1868 1754 1625
ПВ=100% 1176 1126 1244 1249 1253 1344 1353 1345 1342
1000 Особо легкий 8353 8059 7373 6690 6264 5191 4649 4153 3578
ПВ = 15% 2691 3070 2739 2720 2643 2317 2246 2077 1769
ПВ = 25% 2320 2686 2378 2364 2290 2016 1956 1810 1549
ПВ = 40% 1995 2264 2016 2007 1860 1715 1667 1543 1282
ПВ=100% 1160 1151 1234 1249 1253 1279 1340 1335 1337
1250 Особо легкий 8353 7983 6982 6244 5873 4815 4299 3797 3271
ПВ = 15% 2747 2825 2408 2408 2427 2095 1913 1819 1541
ПВ = 25% 2376 2456 2095 2105 2114 1830 1662 1519 1352
ПВ = 40% 2005 2088 1782 1784 1801 1553 1411 1329 1145
ПВ=100% 1151 1136 1252 1249 1253 1264 1353 1345 1352
1500 Особо легкий 8198 7804 6721 5946 5547 4514 3985 3527 3093
ПВ = 15% 2475 2507 2147 2215 2127 1886 1731 1549 1363
ПВ = 25% 2166 2200 1886 1933 1918 1645 1497 1351 1179
ПВ = 40% 1825 1868 1605 1635 1631 1394 1272 1147 1006
ПВ=100% 835 1151 1244 1264 1266 1274 1296 1233 1195
РМ-500
600 Особо легкий 14230 13113 13292 13194 13051 12540 11875 10712 9304
ПВ = 15% 7193 7100 7423 7805 7341 7022 6642 6180 5766
ПВ = 25% 6265 6205 6470 6541 6460 6144 5837 5439 4980
ПВ = 40% 5336 5245 5467 5575 5481 5141 4931 4532 4259
ПВ=100% 2166 2047 2157 2156 2153 2332 2315 2324 2320
750 Особо легкий 13921 14072 13442 13082 12920 12239 10949 9888 8597
ПВ = 15% 7177 7062 6982 7284 7178 6220 5958 5669 5137
ПВ = 25% 6249 6141 6059 6244 6264 5417 5153 4878 4456
ПВ = 40% 5321 5219 5136 5382 5325 4615 4347 4153 3774
ПВ = 100% 2042 1945 2167 2170 2166 2307 2319 2320 2317
1000 Особо легкий 13689 13624 13091 12710 12529 11286 10023 8900 7627
ПВ = 15% 6775 6946 7223 6244 6166 5342 5193 4796 4128
ПВ = 25% 5893 6025 5447 5463 5383 4665 4529 4153 3617
ПВ = 40% 5012 5143 4635 4527 4503 3912 3864 3510 3067
ПВ = 100% 1995 1996 2167 2163 2153 2317 2319 2324 2107
1250 Особо легкий 13550 13509 12760 12309 12685 10353 9178 8069 6856
ПВ = 15% 6274 6601 5537 5619 5622 4815 4589 4114 3586
ПВ = 25% 5457 5680 4936 4906 4855 4213 4009 3520 3114
ПВ = 40% 4640 4820 4165 4192 3994 3551 3381 3006 2642
ПВ = 100% 2005 1996 2167 2159 2161 2323 2319 2096 2170
1500 Особо легкий 13302 13305 12640 12041 11746 9630 8373 7317 5897
ПВ = 15% 5816 5885 5216 5500 5220 4364 4025 3626 3171
ПВ = 25% 5043 5117 4514 4757 4503 3812 3502 3131 2752
ПВ = 40% 4300 4350 3852 4014 3785 3210 2979 2670 2333
ПВ = 100% 1980 1996 2167 2170 2166 2307 2013 2110 2097
РМ-650
600 Особо легкий 33256 32622 31600 30847 29690 24076 21536 19282 17561
ПВ = 15% 15855 16631 14797 15609 15824 13794 13083 12360 11270
ПВ = 25% 13844 14392 12790 13565 13703 11913 11472 10712 9829
ПВ = 40% 11756 12281 10784 11521 11583 10032 9661 9064 8322
ПВ=100% 5182 4925 5166 5129 5155 5517 5535 5521 5504
750 Особо легкий 32792 32238 30898 29137 27668 22471 19966 17799 15307
ПВ = 15% 14540 15351 13242 14123 14356 12038 11432 11075 9960
ПВ = 25% 12684 512 11637 12190 12398 10634 9983 9625 8702
ПВ = 40% 10766 11258 9831 10406 10571 8928 8453 8174 7339
ПВ=100% 4764 4708 5136 5173 5090 5517 5636 5537 5032
1000 Особо легкий 32483 31470 29794 26536 24862 20013 17873 15624 13839
ПВ = 15% 13225 13816 12189 12264 12529 10383 10265 9394 8335
ПВ = 25% 11601 12089 10684 10704 10963 9029 8816 8207 7077
ПВ = 40% 9745 10170 9029 9031 9201 7674 7548 6922 5976
ПВ=100% 4687 4912 5116 5129 5188 5568 5555 4994 5032
1250 Особо легкий 31555 30703 28410 24440 22708 18418 16134 14002  
ПВ = 15% 12251 12588 10955 10971 11432 9510 8888 8069  
ПВ = 25% 10580 10899 9510 9544 9945 8246 7729 6922  
ПВ = 40% 9095 9364 8065 8295 8457 6982 6569 5854  
ПВ=100% 4715 4759 5176 5173 5168 5537 5024 5023  
1500 Особо легкий 92808 89550 89282       
ПВ = 15% 46713 48101 40528       
ПВ = 25% 40835 41705 35312       
ПВ = 40% 34648 35308 29894       
ПВ=100% 15932 15863 17455       

 

ПРИМЕР УСЛОВНОГО ОБОЗНАЧЕНИЯ ПРИ ЗАКАЗЕ

Редуктор РМ-750-40-12-У2, где:

  • РМ– тип редуктора;
  • 750– общее межосевое расстояние;
  • 40– номинальное передаточное число;
  • 12– вариант сборки;
  • У– вариант исполнения;
  • 2– категория размещения.