ПРОДУКЦИЯ

Главная» Мотор-редукторы» 4МЦ2С63 - 4МЦ2С125

Мотор-редукторы 4МЦ2С63 - 4МЦ2С125

Описание:
Цилиндрический двухступенчатый соосный мотор-редуктор типа 4МЦ2С является электромеханическим приводом общепромышленного применения. Использование мотор-редуктора в грузоподъемных механизмах не допускается! При возникновении вопросов, всегда стоит обращаться в консультационный центр компании. Всегда рады сотрудничеству!
Подробнее:

УСЛОВИЯ ПРИМЕНЕНИЯ РЕДУКТОРОВ:

  • работа от сети переменного тока частотой 50 или 60 Гц;
  • режим работы - продолжительный, с продолжительностью работы 8-24 ч/сут;
  • вращения выходного вала в любую сторону;
  • внешняя среда - неагрессивная, невзрывоопасная с содержанием непроводящей пыли 10 мг/м3;
  • климатическое исполнение У, категория размещения 3 (температура окружающего воздуха от минус 400 С до плюс 400 С, эксплуатация в закрытых помещениях с естественной вентиляцией без искусственно регулируемых климатических условий) или климатическое исполнение Т2 (температура окружающей среды от-100°С до +450°С, эксплуатация под навесом или в помещениях);
  • высота над уровнем моря - до 1000 м;

 

ПРИМЕР УСЛОВНОГО ОБОЗНАЧЕНИЯ ПРИ ЗАКАЗЕ

Мотор-редуктор 4МЦ2С-63-56-0,75-G310-ЦУЗ-2-380 ТУ2.056.0221595.13-91, где:

Мотор-редуктор типа 4МЦ2С с межосевым расстоянием 63 мм, частотой вращения выходного вала 56 об/мин, мощностью электродвигателя. 0,75 кВт, вариантом размещения в пространстве G310, цилиндрическим концом выходного вала Ц, климатического исполнения У, категории размещения 3, категории точности 2, номинального напряжения сети переменного тока 380 В.

Использование оборудования

Исполнение на лапах

 


Фланцевое исполнение 


 Габаритные и присоединительные размеры для исполнения на лапах

4МЦ2С Тип электро­двигателя L H В h1 A A1 E G d h К
63 63B2
315
255
185
140±0,5
110±0,55
150±0,55
48
15
12
16
160
71В6;71В4
487
71А4; 71А2; 71В2
80В8; 80В6; 80В4; 80В2
517
265
80А6; 80А4
493
80A2
278
90L2; 90L4
538
275
200
80 90LA8; 90LB8;90L6; 90L4
590
305
225
170±0,5
115±0,7
180±0,7
75
22
15
18
175
100L6; 100L4; 100L2
635
317
100S4; 100S2
602
100 100L8; 100L6; 100L4
675
380
270
212±0,5
130±1
210±1
270
350
14
22
195
112МА6; 112М4; 112М2
695
400
280
100S4
645
380
270
125 112МА6; 112МВ6; 112М4
738
480
335
265±1
160±0,7
280±0,7
105
25
19
28
235
132S6; 132S4; 132M6
765
132М4
814
 132М2
350
160S4
870
520
335. 350
 160М4
910
 160S2; 160М2
870

Габаритные и присоединительные размеры для фланцевого исполнения  
 
4МЦ2С Тип электродвигателя L H В h1 A С R P d h К S
63 63В2 315 255 185 140 130js 185 200 240 11 12 150 65
71В6; 71В4 487
71А4:71А2:71В2
80В8; 80В6; 80В4; 80B2 517 265
80А6; 80А4 473 200
80А2 493
90L2 538 275
80 90LA8; 90LB8; 90L6; 90L4 590 305 250 170 180JS 240 250 293 14 14 170 85
100L6; 100L4; 100L2 635 317
100S4; 100S2 602 317
100 100L8; 100L6; 100L4 675 380 270 212 230JS 275 270 350 14 14 190 115
112МА6; 112М4; 112М2 695 400 280
100S4 645 380 270
125 112МА6; 112МВ6; 112М4 738 480 360 260 300js 350 360 440 18 20 235 115
132S6; 132S4; 132M6 765 480
132М4 814 480
132М2 477
160S4; 160S2; 160M2 870 520
160М4 910

 

ВАРИАНТЫ ИСПОЛНЕНИЯ ВЫХОДНОГО ВАЛА МОТОР-РЕДУКТОРА

Конический

 
Цилиндрический  


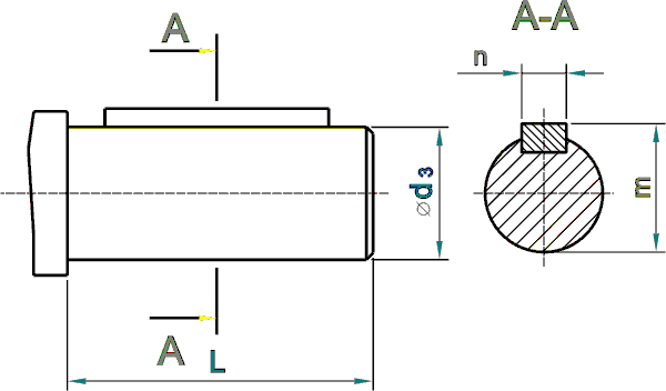
Размеры выходного вала мотор-редуктора
4МЦ2С d1 d2 d3 L L1 b t n m
63
28
M16x1,5-8g
28k6
60
42
5
14,9
8
31
80
35
М20х1,5-8g
35k6
80
58
6
18,5
10
38
100
45
М30х2-8g
45k6
110
82
12
23,45
14
48,5
125
55
МЗ6х3-8g
55k6
110
82
14
28,9
16
59

  

ТЕХНИЧЕСКИЕ ХАРАКТЕРИСТИКИ ОБОРУДОВАНИЯ:

Типоразмер Номинальная частота вращения выходного вала, об/мин Номинальный крутящий момент на тихоходном валу, H*м Радиальная консольная нагрузка на конце тихоходного вала, Н Масса без смазки, не более, кг Типоразмер двигателя Мощность двигателя КПД мотор-редуктора, %, не менее
4МЦ2С-63
28
175
3300
21
АИР71В6Р3
0,55
66
35,5
140
3000
21
АИР71В6Р3
66
190
3500
27
АИР80А6Р3
0,75
68
45
113
2600
21
АИР71В6Р3
0,55
66
154
3100
27
АИР80А6Р3
0,75
68
56
96
2400
21
АИР71А4Р3
0,55
140
3000
АИР71В4Р3
0,75
73
206
3400
27
АИР80А4Р3
1,1
71
75
2100
21
АИР71А4Р3
0,55
72
105
2600
АИР71В4Р3
0,75
73
148
3000
27
АИР80А4Р3
1,1
90
57
1800
21
АИР71А4Р3
0,55
72
78
2200
АИР71В4Р3
0,75
73
112
2600
27
АИР80А4Р3
1,1
153
3100
АИР80В4Р3
1,5
75
112
47
1700
21
АИР71А4Р3
0,55
72
65
2000
АИР71В4Р3
0,75
73
92
2300
27
АИР80А4Р3
1,1
128
2400
АИР80В4Р3
1,5
75
187
3400
32
АИР90L4Р3
2,2
78
125
43
1600
21
АИР71А4Р3
0,55
72
59
1900
АИР71В4Р3
0,75
73
84
2300
27
АИР80А4Р3
1,1
114
2600
АИР80В4Р3
1,5
75
159
3100
АИР80В2Р3
2,2
80
140
37
1500
21
АИР71А4Р3
0,55
72
52
1800
АИР71В4Р3
0,75
73
73
2100
27
АИР80А4Р3
1,1
101
2500
АИР80В4Р3
1,5
75
149
3100
АИР80В2Р3
2,2
80
180
27
1300
16
АИР63В2
0,55
72
36
1500
21
АИР71А2Р3
0,75
75
53
1800
АИР71В2Р3
1,1
73
2100
27
АИР80А2Р3
1,5
74
107
2500
АИР80В2Р3
2,2
86
150
3000
32
АИР90L2Р3
3,0
81
224
22
1100
16
АИР63В2
0,55
72
29
1300
21
АИР71А2Р3
0,75
75
46
1700
АИР71В2Р3
1,1
63
1900
27
АИР80А2Р3
1,5
74
92
2400
АИР80В2Р3
2,2
86
125
2700
32
АИР90L2Р3
3,0
81
280
18
1000
16
АИР63В2
0,55
72
24
1200
21
АИР71А2Р3
0,75
75
36
1500
АИР71В2Р3
1,1
50
1700
27
АИР80А2Р3
1,5
74
73
2100
АИР80В2Р3
2,2
86
99
2400
32
АИР90L2Р3
3,0
81
4МЦ2С-80
28
250
4000
36
АИР90LА8Р3
0,75
72
368
4800
40
АИР90LВ8Р3
1,1
74
35,5
292
4300
368
4800
37
АИР90L6Р3
1,5
73
45
230
3800
40
АИР90LВ8Р3
1,1
74
304
4400
37
АИР90L6Р3
1,5
73
56
242
3900
37
АИР90L6Р3
1,5
73
366
4800
36
АИР90L4Р3
2,2
78
46
АИР100L6Р3
71
190
3400
37
АИР90L6Р3
1,5
73
303
4300
36
АИР90L4Р3
2,2
78
46
АИР100L6Р3
393
5000
41
АИР100S4Р3
3,0
79
90
228
3800
36
АИР90L4Р3
2,2
78
46
АИР100L6Р3
310
4200
41
АИР100S4Р3
3,0
79
112
185
3400
36
АИР90L4Р3
2,2
78
250
4000
41
АИР100S4Р3
3,0
79
332
4600
47
АИР100L4Р3
4,0
82
125
230
3800
41
АИР100S4Р3
3,0
82
307
4400
47
АИР100L4Р3
4,0
82
140
256
4000
47
АИР100L4Р3
4,0
82
302
4800
51
АИР100L2Р3
5,5
85
180
200
3500
47
АИР100L4Р3
4,0
82
43
АИР100S2Р3
84
280
4200
51
АИР100L2Р3
5,5
85
224
165
3300
43
АИР100S2Р3
4,0
84
227
3800
51
АИР100L2Р3
5,5
85
280
127
2800
47
АИР100S2Р3
4,0
84
175
3300
51
АИР100L2Р3
5,5
85
4МЦ2С-100
28
445
5300
79
АИР100L8Р3
1,5
71
655
6400
81
АИР100L6Р3
2,2
77
31,5
440
5200
79
АИР100L8Р3
1,5
71
35,5
555
6000
81
АИР100L6Р3
2,2
77
710
6700
100
АИРМ112МА6Р3
3,0
45
440
5300
81
АИР100L6Р3
2,2
77
595
6100
74
АИР100S4Р3
3,0
78
56
505
5700
74
АИР100S4Р3
3,0
78
675
6500
81
АИР100L4Р3
4,0
82
71
535
5800
81
АИР100L4Р3
4,0
82
710
6700
99
АИРМ112М4Р3
5,5
83
90
405
5100
81
АИР100L4Р3
4,0
82
545
5900
99
АИРМ112М4Р3
5,5
83
112
450
5400
99
АИРМ112М4Р3
5,5
83
620
6300
100
АИРМ112М2Р3
7,5
85
125
375
4800
99
АИРМ112М4Р3
5,5
83
537
5800
100
АИРМ112М2Р3
7,5
85
140
490
5600
160
445
5200
224
314
4400
280
244
3900
4МЦ2С-125
28
935
7700
122
АИРМ112МА6Р3
3,0
77
1245
8800
126
АИРМ112МВ6Р3
4,0
79
35,5
975
7800
126
АИРМ112МВ6Р3
4,0
79
1340
9200
148
АИРМ132S6Р3
5,5
83
45
780
700
126
АИРМ112МВ6Р3
4,0
79
1120
8400
127
АИРМ112М4Р3
5,5
83
56
880
7400
127
АИРМ112М4Р3
5,5
83
148
АИРМ132S6Р3
5,5
83
1200
8700
151
АИРМ132S4Р3
7,5
84
71
960
7800
1410
9400
166
АИРМ132М4Р3
11,0
85
90
775
7000
151
АИРМ132S4Р3
7,5
84
1140
8500
166
АИРМ132М4Р3
11,0
85
112
895
7500
166
АИРМ132М4Р3
11,0
85
1210
8700
206
АИРМ160S4Р3
15,0
84
140
704
6600
166
АИРМ132М4Р3
11,0
85
940
7700
206
АИРМ160S4Р3
15,0
84
1165
8600
228
АИРМ160М4Р3
18,5
86
180
557
5900
160
АИРМ132М2Р3
11,0
84
760
6900
206
АИРМ160S4Р3
15,0
84
940
7700
228
АИРМ160S4Р3
15,0
84
224
447
5200
160
АИРМ132М2Р3
11,0
84
609
6100
197
АИРМ160S2Р3
15,0
752
6800
207
АИРМ160М2Р3
18,5
86