ПРОДУКЦИЯ

Редукторы цилиндрические Ц3У160 - Ц3У250

Описание:
Редукторы Ц3У зубчатые цилиндрические трехступенчатые узкие горизонтальные общего назначения служат для увеличения крутящих моментов и уменьшения частоты вращения. Редукторы применяются в макроклиматических районах с умеренным климатом (исполнение У), сухим и влажным тропическим климатом (исполнение Т), категорий размещения 1, 2, 3, 4 (работа на открытом воздухе под навесом, в закрытых помещениях и помещениях с регулируемым климатом).
Подробнее:

УСЛОВИЯ ПРИМЕНЕНИЯ РЕДУКТОРОВ:

• нагрузка постоянная и переменная одного направления и реверсивная;
• работа длительная или с периодическими остановками;
• вращение валов в любую сторону;
• частота вращения входного вала не должна превышать 1800 об/мин.;
• атмосфера типов I и II по ГОСТ 15150 - 69 при запыленности воздуха не более 10 мг /куб.м.;
• климатические исполнения У, Т для категории размещения 1...3 и климатические исполнения УХЛ и О для категорий размещения 4, а редукторы 1Ц3У - 160 климатического исполнения ХЛ категории 1...3 по ГОСТ 15150-69.

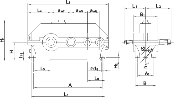
РИС 1.
Габаритные и присоединительные размеры

РИС 2.
Входной/выходной вал

 

Параметр Типоразмер редуктора
ЦЗУ-160 ЦЗУ-200 ЦЗУ-250
awБ
160
200
250
awП
100
125
160
awТ
80
100
125
А
475
580
750
А1
140
165
218
В
195
230
280
B1
206
243
290
Н
170
212
265
Н1
345
425
530
Н2
28
36
40
L1
160
190
236
L2
224
280
335
L3
630
775
950
L4
195
236
290
L5
136
165
212
L6
145
185
230
L7
530
650
825
b1
4
5
5
b2
14
18
22
d1
20
25
30
d2
55
70
90
d3
М12х1.25
M16xl,5
M20xl,5
d4
МЗ6xЗ
М48х3
М64х4
d5
24
24
8
d6
М24
М24
М24
d7
40
45
50
d8
88
100
130
h1
4
5
5
h2
9
11
14
h3
32
32
32
h4
110
125
160
l1
36
42
58
l2
82
105
130
l3
50
60
80
l4
110
140
170
t1
2,5
3,0
3,0
t2
5,5
7,0
9,0
Объем заливаемого масла, л
6,2
12,0
18,4
Масса, кг
160
186
335

ТАБ1.
Габаритные и присоединительные размеры
 
 


РИС2.
Варианты сборки редукторов типа Ц3У

 

ТЕХНИЧЕСКИЕ ХАРАКТЕРИСТИКИ

ПараметрТипоразмер редуктора
ЦЗУ-160
ЦЗУ-200
ЦЗУ-250
Номинальные передаточные числа
31,5; 40; 45; 50; 56; 63; 80; 100; 125; 160; 200
16; 20; 25; 31,5; 40; 45; 50; 56; 63; 80; 100; 125; 160; 200
Номинальный вращающий момент на выходном валу Н*м
1250
2500
5000
Номинальная радиальная сила, Н:
на входном валу
500
1000
2000
на выходном валу
8000
11200
16000
Объем заливаемого масла, л
6,2
12,0
18,4
Масса, кг
106
186
335

ПРИМЕР УСЛОВНОГО ОБОЗНАЧЕНИЯ ПРИ ЗАКАЗЕ

Редуктор 1Ц3У-200-160-12K У2, где:

цилиндрический трехступенчатый редуктор с межосевым расстоянием тихоходной ступени 200 мм, номинальным передаточным числом 160, вариантом сборки 12, коническим концом тихоходного вала K, климатическим исполнением У и категорией размещения 2.