ПРОДУКЦИЯ

Главная» Мотор-редукторы» МЧ100, МЧ125 - МЧ160

Мотор-редукторы МЧ100, МЧ125 - МЧ160

Описание:
Мотор-редукторы червячные одноступенчатые МЧ предназначены для работы в качестве приводов общемашиностроительного применения. особенности конструкции оборудования позволяют осуществлять оперативный и нетрудоемкий монтаж. Также следует отметить доступную цену, как преимущественный фактор на рынке приводного оборудования.
Подробнее:

Условия применения:

  • нагрузка постоянная и переменная (в пределах номинального крутящего момента);
  • вращение выходного вала в любую сторону без предпочтительности;
  • климатические исполнения У3 и Т2 по ГОСТ 15150-69 при работе на высоте над уровнем моря до 1000м, допускается работа мотор-редуктора на высоте более 1000м над уровнем моря при соблюдении требований ГОСТ 183-74;
  • внешняя среда – неагрессивная, невзрывоопасная, с содержанием непроводящей пыли до 10 мг/м3;
ПРИМЕР УСЛОВНОГО ОБОЗНАЧЕНИЯ В ЗАКАЗЕ:

Мотор-редуктор МЧ–125–71–51-У3, ТУ УЗ.26-00224828-342-97, что означает:

  • МЧ – тип мотор-редуктора;
  • 125 – межосевое расстояние, мм;
  • 71 – номинальная частота вращения выходного вала, об/мин;
  • 51 – вариант сборки по ГОСТ 20373-80;
  • У3 – климатическое исполнение и категория размещения по ГОСТ 15150-69;

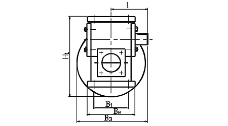
Габаритные и присоединительные размеры МЧ100, МЧ125 - МЧ160:

 

ТИПОРАЗМЕРH2H3H4L1L2В1В2В3ld
МЧ-10031210010024020014017535722519
МЧ-12539611112527523019023039023019
1МЧ-16046514016035030023028044128022

ТИПОРАЗМЕР                     L3                     H1
эл./дв.АИР90АИР100АИР112АИР132АИР90АИР100АИР112АИР132
МЧ-100585600   -    -337337    -   -
МЧ-125665680750    -410410435   -
1МЧ-160  -760805835   -465475500

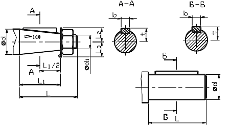
Исполнения выходного вала
ТИПВЫХОДНЫЕ КОНЦЫ ВАЛОВLL1L2L3bdd1tm
МЧ-100Конический1108232251245М30х2- 8g23,45-
МЧ-1251108238301455М36х3 -8g28,95-
1МЧ-16014010550401870М48х3- 8g36,38-
МЧ-100Цилиндрический110---1445-48,5-
МЧ-125110---1655-59-
1МЧ-160140---2070-74,5-
МЧ-100Вал полый шлицевой2059057,5--4546-2
МЧ-12523011060--5560-2,5
1МЧ-16027513072,5--7072-2,5
 
Варианты сборки мотор-редуктора МЧ100, МЧ125 - МЧ160:
                                     

 

ТЕХНИЧЕСКИЕ ХАРАКТЕРИСТИКИ:

Номинальная частота вращения выходного вала об/минДопускаемая радиальная консольная нагрузка, приложенная к середине посадочной части конца выходного вала, ННоминальный крутящий момент на выходном валу
Н х м
КПД, % в непрерыв-ном режиме с ПВ 100%, не менееТипо-размер двигателя серии АИРМощность двигателя, кВтКорректи-рованный уровень звуковой мощности, дБА, не болееМасса мотор-редуктора кГ, не более
Мотор-редуктор МЧ-100
180550027093112М45,580100
14035093112М45,5100
11243092112М45,5100
9038089100L44,090
7135087100S43,084
5644087100S43,084
4544570100S43,084
35,54607890L42,277
285807790L42,277
22,44726990L61,577
185806990L61,577
146256190L61,577
11,44015890LА80,7577
8,25065890LА80,7577
Мотор-редуктор МЧ-125
180800027093112М45,580131
14035093112М45,5131
11243092112М45,5131
9052089112М45,5131
7165088112М45,5131
5659587100L44,0121
4569081100L44,0121
35,564079100S43,0115
285807790L42,2108
22,47157690L42,2108
188056990L42,2108
146957190L61,5108
11,47666890L61,5108
8,27606090LВ81,1108
Мотор-редуктор 1МЧ-160
1801100055094132М411,080204
14070093132М411,0204
11287093132М411,0204
90106091132М411,0204
71130088132М411,0204
56163087132М411,0204
45193583132М411,0204
35,5161579132S47,5204
28191673132S47,5190
22,4166374112М45,5163
18206974112М45,5163
14188070112МВ64,0163
11,4176366112МА63,0160
8,2163866112МА82,2160